上海恒點傳動設備有限公司
加微信聯系 恒點減速機QQ2:51228482
[HTML] [XML]  産品展示産品展示-RSS  新聞中心新聞中心-RSS  技術支持技術支持-RSS
産品分類: 減速機蝸輪絲杆升降機轉向箱蝸輪蝸杆減速機齒輪減速機行星齒輪減速機擺線針輪減速機無級變速機大功率減速器
上海恒點傳動設備有限公司
資訊分類
和産品相關的技術文章
當前位置:網站首頁 > 技術支持 > JPT型漸開線圓柱齒輪減速器型式及尺寸(JB/T10244-2001)

JPT型漸開線圓柱齒輪減速器型式及尺寸(JB/T10244-2001)

Tags: MC硬齒面減速器    發布時間: 2015-10-13


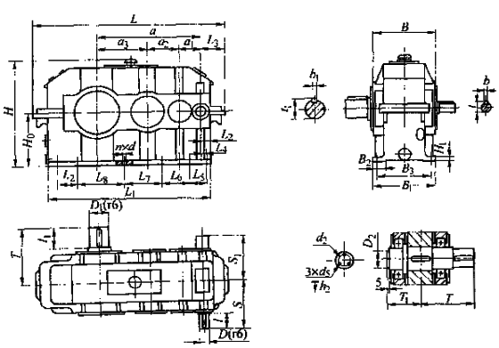
型号
外形尺寸及中心高
B1
B2
L1
L2
L3
H1
地腳尺寸
a
Ho
H
L
B
d
n
B1
L4
L5
L6
JPT400(1)
400
450
900
1140
440
440
210
990
198
272
35
M24
6
380
150
340
510
JPT500(1)
300
550
1104
1380
530
530
250
1216
235
317
40
M30
450
180
410
625
JPT600(1)
600
650
1320
1560
660
660
300
1410
250
375
48
M36
570
195
500
735
型号
高速軸
S
S1
低速軸
T
T1
裝(zhuāng)配形式Ⅳ、Ⅴ、Ⅷ、Ⅸ、Ⅺ、Ⅻ
最大重量/kg
l
D
b
t
l1
D1
B1
T1
D1
d2
d3
H2
JPT400(1)
125
100
28
108
395
415
165
150
40
161
445
245
75
55
M8
20
1029
JPT500(1)
160
125
36
135
460
480
180
180
45
191
490
280
1883
JPT600(1)
180
150
40
139
565
585
200
220
50
234
590
355
2681

型号
外形尺寸及中心高
B1
B2
L1
L2
L3
H1
H2
地腳尺寸
a
Ho
H
L
B
d
n
B3
L4
L5
JPT700(1)
700
500
1590
1900
865
865
120
1755
325
396
80
785
M42
8
740
210
530
JPT800(1)
800
550
1778
2120
950
950
140
1980
360
429
90
885
810
580
JPT900(1)
900
600
1985
2580
1055
1055
160
2225
405
482
100
1000
M48
870
250
665
JPT1000(1)
1000
650
2261
2610
1100
1100
180
2460
445
520
118
1100
900
710
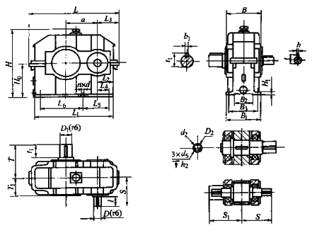
型号
地腳尺寸
高速軸
S
低速軸
T
裝(zhuāng)配形式Ⅳ、Ⅴ、Ⅷ、Ⅸ、Ⅺ、Ⅻ
最大重量/kg
L6
L7
l
D
b
t
l1
D1
b1
T1
T1
D2
d2
d3
h2
JPT700(1)
565
420
200
170
40
181
710
260
250
75
25
780
477
75
55
M8
20
3780
JPT800(1)
640
480
240
190
45
202
755
280
290
87
29
840
520
5132
JPT900(1)
645
550
260
220
50
234
870
320
320
96
92
935
570
6356
JPT1000(1)
710
600
280
250
56
266
915
350
360
108
36
995
590
7545

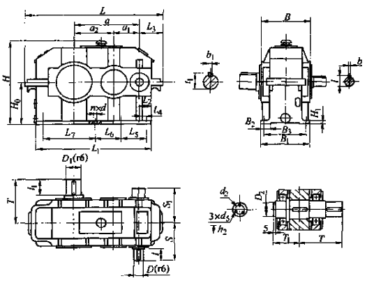
型号
外形尺寸及中心高
B1
B2
L1
L2
L3
H1
地腳尺寸
a
a1
a2
Ho
H
L
B
d
n
B3
L4
L6
JPT450(2)
750
300
450
500
1020
1550
580
580
130
1340
150
265
40
M24
8
470
70
200
JPT500(2)
850
350
500
550
1132
1720
620
620
140
1510
170
275
530
75
225
JPT600(2)
1000
400
600
650
1310
1990
765
765
130
1770
190
300
50
M30
645
90
270
型号
地腳尺寸
高速軸
S
S1
低速軸
T
裝(zhuāng)配形式Ⅳ、Ⅴ、Ⅷ、Ⅸ、Ⅺ、Ⅻ
最大重量/kg
L6
L7
l
D
b
t
l1
D1
b1
t1
T1
D2
d2
d3
h2
JPT450(2)
370
610
105
70
20
74.5
450
470
165
160
40
169
515
315
75
55
M8
20
2200
JPT500(2)
450
660
105
80
22
85
490
510
180
170
40
179
580
345
2800
JPT600(2)
490
810
125
95
25
100
580
610
200
190
45
200
640
410
4300

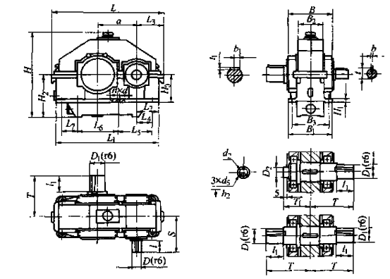
型号
外形尺寸及中心高
B1
B2
L1
L2
L3
H1
地腳尺寸
a
a1
a2
a3
Ho
H
L
B
d
n
B3
L4
JPT350(3)
750
150
250
350
400
850
1390
520
520
105
1190
90
190
50
M40
10
420
40
JPT450(3)
950
200
300
450
500
1055
1705
615
615
120
1505
115
215
55
515
60
JPT500(3)
1100
250
350
500
550
1250
1920
675
675
135
1720
130
230
60
M50
565
75
JPT600(3)
1250
250
400
600
650
1355
2160
830
830
140
1960
130
230
60
700
75

上一篇 上一篇: 養成好習慣,讓齒輪減速機工作更長時間
下一篇 下一篇 : JPT型漸開線圓柱齒輪減速器承載能力(JB/T10244-2001)
相關新聞文章 > 查看更多
軸承損壞後是否可以修複 2024-11-06
對軸承材料冶金質量的基本要求是什麽 2024-11-05
什麽是變頻器? 2024-09-23
圓柱齒輪、錐齒輪和準雙曲面齒輪膠合承載能力計算方法第2部分:積分溫度法計算(GB/Z6413.2-2003) 2024-06-05
齒根彎曲強度計算壽命系數YNT(GB/T10062.3-2003) 2024-04-24
漸開線圓柱齒輪精度檢驗規範主題内容與适用範圍 、引用标準(GB/T13924-92) 2024-03-17
提高數控機床可靠性的方法1:通過工藝試驗論證産品設計方案的可行性 2024-01-22
導緻硬齒面齒輪減速機疲勞有哪些因素 2021-07-09
浮動油封出現漏油問題的原因4-密封材料質量不佳 2021-04-07
減速機變壓器滲漏油的消除辦法 2016-04-13
硬齒面齒輪減速機應用範圍及特點 2015-12-31
JPT型漸開線圓柱齒輪減速器承載能力(JB/T10244-2001) 2015-10-14
返回頂部 關閉本頁】 【打印本頁
電 話:021-22815912  021-22816186  傳 真:021-32050712   郵箱:sales@021jsj.cn  減速機 絲杆升降機 轉向箱 蝸輪蝸杆減速機
Copyright©2009-2026上海恒點傳動設備有限公司 版權所有  地址:上海市金山區亭林鎮林寶路39号  郵編:200442  滬ICP備10206998号-2 
友情鏈接機械設備網 | 渦街流量計 | 輸送機 | 變頻控制櫃 | 破碎機 | 工業同城 | 手持終端 | 柴油發電機 | uv平闆打印機 | 風淋室 | QUV | 防火門 | 九愛圖紙 | 感應加熱設備 | 輸送帶廠家 | 噪聲治理 | 西門子plc | 拖鏈電纜 | AGV | 機械雜志 | 現代機械 | UWB高精度定位 |