加微信聯系
[HTML]
[XML]
産品展示
新聞中心
技術支持
網站首頁
公司介紹
産品展示
行業資訊
技術支持
樣本下載
産品應用
在線訂購
在線留言
聯系我們
産品分類:
減速機
┊
蝸輪絲杆升降機
┊
轉向箱
┊
蝸輪蝸杆減速機
┊
齒輪減速機
┊
行星齒輪減速機
┊
擺線針輪減速機
┊
無級變速機
┊
大功率減速器
┊
資訊分類
新聞中心
技術支持
産品資訊
和産品相關的技術文章
SWL蝸輪絲杆升降機
TRSS系列絲杆升降機
JWM螺旋升降機
T螺旋傘齒輪轉向箱
ARA螺旋錐齒輪轉向箱
HD螺旋錐齒換向器
R系列斜齒輪硬齒面減速機
S系列斜齒輪蝸輪減速機
K系列螺旋錐齒輪減速機
F系列平行軸斜齒輪減速機
RV系列蝸輪蝸杆減速機
WP鑄鐵蝸輪蝸杆減速機
伺服行星減速機
P系列行星齒輪減速器
X/B系列擺線針輪減速機
WB微型擺線減速機
MB無級變速機
G全封閉齒輪減速電機
MC硬齒面減速器
HB标準工業齒輪箱
Z系列硬齒面圓柱齒輪減速機
當前位置:
網站首頁
>
技術支持
> FAZ系列平行軸斜齒輪減速機輸出端小法蘭可以裝在電機同側嗎[原創]
FAZ系列平行軸斜齒輪減速機輸出端小法蘭可以裝在電機同側嗎[原創]
Tags:
F系列平行軸斜齒輪減速機
發布時間: 2013-05-02
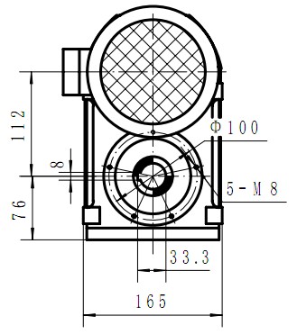
近日有客戶詢價
F系列減速機
,輸出配小法蘭.但不是常規的安裝形式,輸出的小法蘭要裝在與電機同一側的面上.型号爲FAZ37-30-Y0.37KW
标準件來說,是無法安裝的.因爲電機小法蘭會有重合.請見圖
如果這個重合的地方不會影響客戶使用,那是可以的.如果影響到安裝,不建議這樣使用.
非标或者非常規型的減速機,客戶在選型時,建議先來電咨詢,確認型号後,再看外形尺寸圖來定是否能夠使用. 咨詢電話: 4009909688
上一篇:
祝新老客戶節日快樂[五一勞動節]
下一篇:
杭州某公司轉載我公司産品圖片,客戶購買前請注意區分!
相關新聞文章
> 查看更多
O型圈損壞的原因和措施-安裝不當導緻的損傷
2026-02-02
斜齒輪錐齒輪減速機常見問題及解決之道
2026-01-09
車用發動機噪聲的形成與對策
2025-11-28
車削螺紋時常見故障及解決方法-螺距不正確
2025-08-29
怎樣使用離心泵
2025-08-11
如何在數控加工中選擇刀具
2025-07-15
什麽時候應採用順銑,什麽時候應採用逆銑?
2025-05-30
錐齒輪承載能力計算方法第1部分:概述和通用影響系數範圍、規範性引用文件(GB/T10062.1-2003)
2025-05-07
如何增大2級圓柱齒輪減速器齒輪之間的中心距
2025-02-28
滾動軸承按用途主要可分爲哪幾類?
2024-12-06
什麽是内複圓直徑?什麽是外複圓直徑?
2024-11-29
軸承裏有多少零件?
2024-10-21
【
關閉本頁
】 【
打印本頁
】
電 話:021-22815912 021-22816186 傳 真:021-32050712 郵箱:sales@021jsj.cn
減速機
絲杆升降機
轉向箱
蝸輪蝸杆減速機
Copyright
©
2009-2026
上海恒點傳動設備有限公司
版權所有 地址:上海市金山區亭林鎮林寶路39号 郵編:200442
滬ICP備10206998号-2
友情鏈接
:
機械設備網
|
渦街流量計
|
輸送機
|
變頻控制櫃
|
破碎機
|
工業同城
|
手持終端
|
柴油發電機
|
uv平闆打印機
|
風淋室
|
QUV
|
防火門
|
九愛圖紙
|
感應加熱設備
|
輸送帶廠家
|
噪聲治理
|
西門子plc
|
拖鏈電纜
|
AGV
|
機械雜志
|
現代機械
|
UWB高精度定位
|
×
手機用戶請長(zhǎng)按添加到“照片”,然後(hòu)打開微信掃一掃選擇二維碼。